JF1DIR業務日誌(はてなblog版)

アマチュア無線局JF1DIRのアクティビティをつづっています。

2008-12-28から1日間の記事一覧

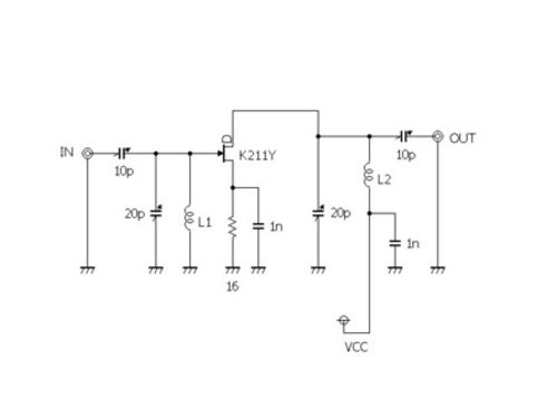
FM放送バンド用高周波アンプ

当局のFM放送の受信環境は、テレビアンテナの引き込み線からFコネクタを介した75Ωの同軸でFMステレオチューナーと接続しています。テレビ用アンテナ(おそらくVHF用の八木ANTは東京タワーに向いている)で受信した信号なので、はっきり言って弱いで…