JF1DIR業務日誌(はてなblog版)

アマチュア無線局JF1DIRのアクティビティをつづっています。

FM放送バンド用高周波アンプ

当局のFM放送の受信環境は、テレビアンテナの引き込み線からFコネクタを介した75Ωの同軸でFMステレオチューナーと接続しています。テレビ用アンテナ(おそらくVHF用の八木ANTは東京タワーに向いている)で受信した信号なので、はっきり言って弱いです。SINPO=55555で聞けるのはFM横浜くらいしかありません。当局がよく聞くFM東京の信号は若干ノイズが入りますので、受信ブースターが必要で2SK241で作ったアンプを常時使っています。最近RF用のトランジスタを集めていて、使えそうな別な石が手元にあつまってきたので、もう一台作ってみようと思いました。

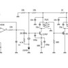
手持ちにチップFETが2SK211Yがあったので(@20くらい)これを使うことにします。用途はVHF用、ゲインは18dB@100MHzと高すぎないのでいい加減に作っても発振する心配がなさそうです。データーシートに載っている回路(100MHz@50Ω用)を参考に、少しいじりました。

ケースはジャンク市で拾ってきたアンリツ製のマイクロ波測定機器の中から出てきたと思われるRFユニットの筐体を拝借するとします。SMAコネクタ2ヶと貫通コン2ヶが付いているので、本装置にもってこいのケースです。中に収める基板の大きさの寸法は51mm×51mmでした。1mm厚のガラスコンポジット基板をこの寸法に切り取り、エッチング(両面テープレジスト法)でパターンを作ります。

コイルは入/出力と結合しないように、軸を90℃ずらしました。コイル径とコイル長は共に10mmです。Q値をなるべく大きくするためですが、実はあまり意味はありません(汗)。トリマコンデンサだらけで不格好ですね。ソースに付けたパスコンは3212のチップセラコンです。小さすぎて見えにくいですが。16Ωのソース抵抗もチップにしたかったのですが、手持ちの関係で1/2W型で、なにか不格好でした(苦笑)。

ケースに収めるとこんな感じです。SMAコネクタから入出力のランドへ接続し、電源も接続します。

電源電圧は8Vにしました。実際にFM放送をワッチしながら調整します。ブースターなしでは入感しないインターFMなどを受信しながら、感度が最高になるようにトリマコンを回します。調整が終わったら蓋をして電源を本接続し、FMチューナーの裏あたりに設置してできあがりです。電源はとりあえず実験用の安定化電源から供給しますが、そのうち専用の電源も作ってあげようと思います。

ケースがすでにできているので、製作時間は数時間でした。部品点数が少ないので、基板切り出しとエッチングパターンに比較的時間がかかっています。ゲイン不足は全く感じられません。2SK211はなかなか使いやすい半導体だと思います。

早速このアンプを通して「ニッサン あ、安部礼二」を受信。いつも以上に刈谷の高笑いが明瞭に聞けました(分かる人には分かる)。